item:
Сайт работает в тестовом режиме
СТАНОК РЕЛЬСОШЛИФОВАЛЬНЫЙ СШГР (АНАЛОГ СЧРА)
СТАНОК РЕЛЬСОШЛИФОВАЛЬНЫЙ СШГР (АНАЛОГ СЧРА) СТАНОК РЕЛЬСОШЛИФОВАЛЬНЫЙ СШГР (АНАЛОГ СЧРА)

Категория: Рельсошлифовальные станки

СТАНОК РЕЛЬСОШЛИФОВАЛЬНЫЙ СШГР (АНАЛОГ СЧРА)

Рельсошлифовальная машина СШГР (станок для шлифования головки рельса) используется для шлифования головки рельса от поверхности катания до боков.

Для получения информации о наличии и условиях поставки свяжитесь с нами:
📞 +998 88 566 33 33   |   ✉ remar.tools@gmail.com
← Вернуться в каталог

ТЕХНИЧЕСКИЕ ХАРАКТЕРИСТИКИ СТАНКА РЕЛЬСОШЛИФОВАЛЬНОГО СШГР (АНАЛОГ СЧРА)

Вес Габаритные размеры Тип двигателя
43 кг 910x430x750 мм Электродвигатель трехфазный, 220В, 50 Гц
СТАНОК РЕЛЬСОШЛИФОВАЛЬНЫЙ СШГР (АНАЛОГ СЧРА)

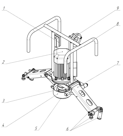
Схема станка СШГР

1. Выключатель
2. Электродвигатель
3. Шпиндельный узел
4. Защитный кожух
5. Шлифовальный круг
6. Направляющие ролики
7. Рама
8. Ручка
9. Штурвал изменения положения круга